מבוא מוצר
מסילות כבדות GB הן מוצרי רכבת כבדים העומדים בסטנדרטים לאומיים ועשויים בעיקר מפלדות סגסוגות נמוכות המכילות אלמנטים של סגסוגת כמו U71MN ו- U75V. התוכן המנגן המותאם של פלדת U71MN מאפשר למסילות הכבדות להיות בעלי תכונות מכניות מקיפות טובות ולעמוד בדרישות ההפעלה של רכבות נוסעים ומטען רגילות; לפלדה U75V יש חוזק מתיחה של מעל 900MPA באמצעות סגסוגת מיקרו של אלמנטים של ונדיום, ועדיין שומרת על קשיחות טובה בטמפרטורות נמוכות של -40, מה שהופך אותו מתאים לאזורים קרים או הובלה כבדה.
38 ק"ג P38 פלדת רכבת כבדה משקל תיאורטי של 38.73 ק"ג למטר. יש לזה את היתרונות הבאים:
ביצועים חומריים מעולים:בדרך כלל משתמשים בדרך כלל ב- U71MN או 5 0 Mn. תכולת הפחמן של חומר U71MN עולה על 0. 71%, והוא מכיל 1.0%-1. 4%מנגן, מה שהופך את חוזק המתיחה של מסילות כבדות לגדול או שווה ל 880MPA, והקשיות יכולה להגיע 260-360 HBW. יש לו חוזק גבוה וקשיחות טובה ועמידות בלאי, יכול לעמוד בעומסים בינוניים ולהסתגל למידת השפעה מסוימת ובלאי. גם הכוח והקשיחות של חומר 50MN טובים, שיכולים לעמוד בדרישות השימוש.

לעמוד בתקני GB:יישום מסילות מסילות רכבות חמות של GB\/T 2585 "לתקנים לאומיים רלוונטיים אחרים, ויש להם תקנות ודרישות קפדניות מבחינת דיוק ממדי, תכונות מכניות, איכות פני השטח וכו '. איכות המוצר מובטחת, מה שיכול להבטיח את היציבות והאמינות בתרחישי היישום כגון מסילות רכבת.
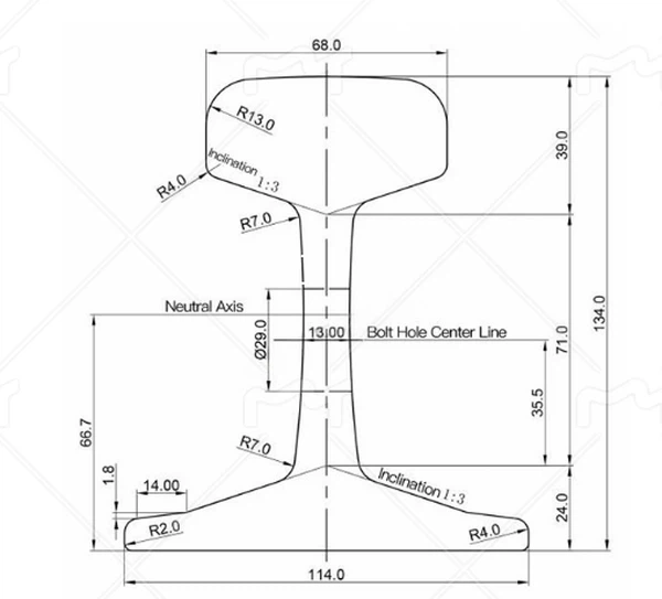
מפרט מוצר

אריזות ומסירה של מוצרים
על מנת לשפר את הכלכלה והפרקטיות של האריזה, מאומצת תוכנית צרור מדורגת בעת אריזת 38 ק"ג מסילות כבדות. מסילות מדק קצרות מצורפות בקבוצות של 8 עד 10 ומסילות אורך ארוכות אורך בקבוצות של 4 עד 6. חוטי פלדה דקים משמשים לתיקון השכבות למניעת ערימה והחלקה ואז משתמשים חגורות פלדה בעלות חוזק גבוה לצרורים חיצוניים. המרווח בין חגורות הפלדה נשלט על כ- 1.3 מטר.
שמן אנטי-רוסט אוניברסלי משמש לטיפול אנטי- RUST. מסילות הפלדה נספגות במלואן בתהליך השרייה. לאחר הוצאתם ומרוקנים, הם עטופים תחילה בשכבה של נייר קראפט כדי להגן על סרט השמן האנטי-רוסט, ואז מכוסים בסרט פלסטיק שקוף כדי להקל על בדיקה מהירה של מצב הסחורה במהלך ההובלה.



Gnee Rail הוא ספק פתרונות מקצועי עבור מוצרי רכבת כבדים סטנדרטיים של GB. אנו משלבים משאבים בתעשייה באיכות גבוהה כדי לספק ללקוחות שירותי תהליכים מלאים, החל בחירת מוצרים ועד הנחיות התקנה. הקמנו מערכת אבטחת איכות מלאה, וכל המוצרים עברו בדיקות ביצועים קפדניות והסמכת סביבה. עם תמיכה טכנית מקצועית וניהול יעיל של שרשרת אספקה, Gnee Rail הפכה לספק המועדף על פרויקטים מרכזיים רבים בינלאומיים.
בנוסף, אנו גם מייחסים חשיבות רבה לפיתוח בר -קיימא. כל מוצרי הרכבת הכבדים משתמשים בתהליכי ייצור ידידותיים לסביבה כדי לתרום לבניית תחבורה ירוקה עולמית.




תגיות פופולריות: 38 ק"ג P38 פלדת רכבת כבדה, סין 38 ק"ג P38 יצרני פלדת רכבת כבדים, ספקים, מפעל






